- 搪玻璃设备
- 王经理:05332860177
- 不锈钢有色金属设备
- 傅经理:13906430854
- 衬四氟设备及配件
- 傅经理:15253328001
- 技术咨询服务
- 王经理:18653342297
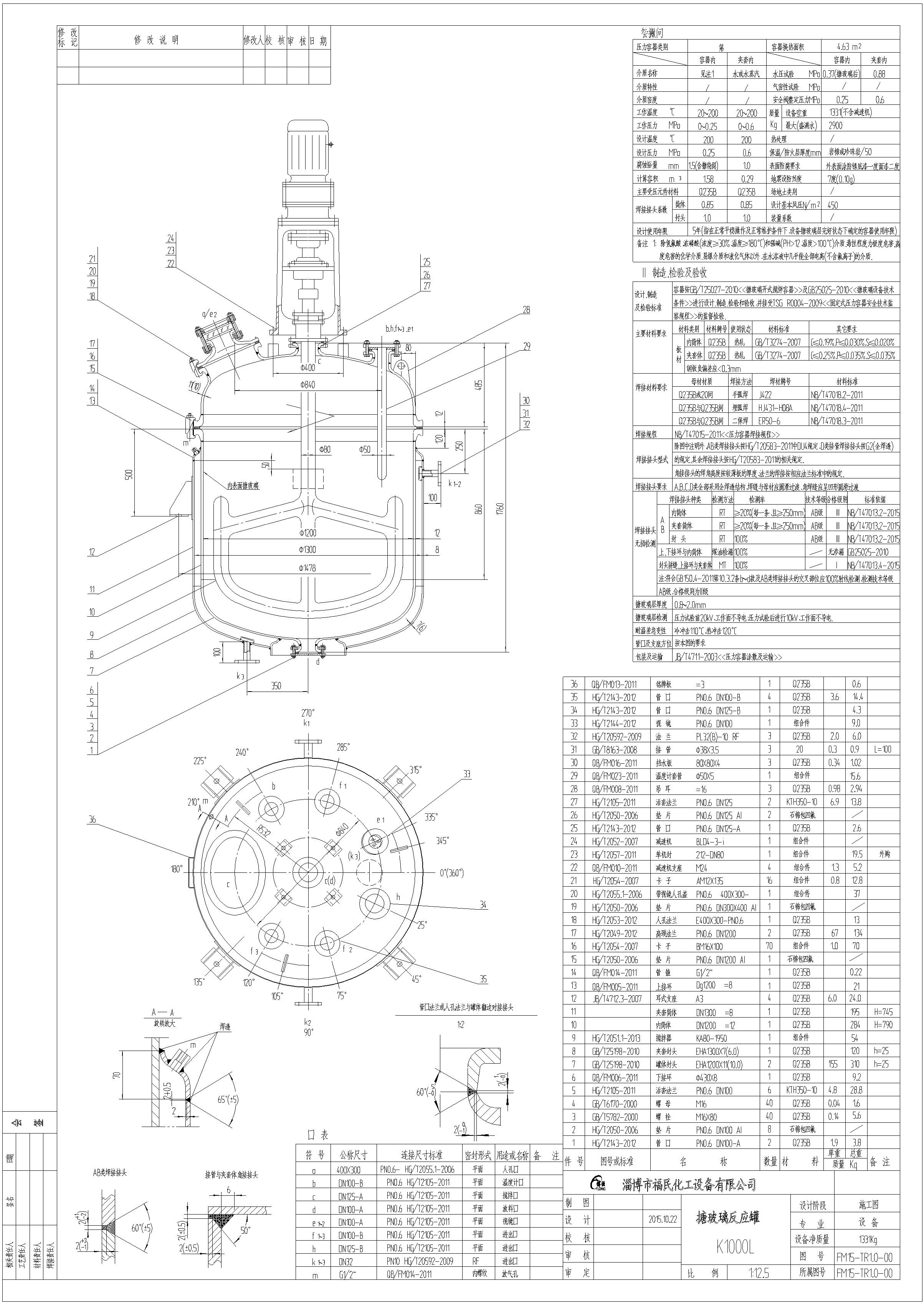
1000L搪玻璃反应釜参数规格(内附图纸)
来源:搪瓷反应釜厂家??日期:2022-06-06
1000L搪玻璃反应釜参数规格,1000L的搪玻璃反应釜是比较常用的一类反应容器,它有开式和闭式两种类型,下面我们会分别对这两种1000L搪玻璃反应釜进行介绍,希望对大家有帮助。
开式1000L搪玻璃反应釜(反应罐)技术参数值:公称容积1000L,实际容积1245L,传热面积4.5㎡,釜体设计压力(0.25MPa、0.4MPa、0.6MPa),反应釜夹层设计压力(0.6MPa),反应釜参考重量1803㎏,整体高度3360mm。一般采用4.0KW减速机,锚(框)式转速63.85r/min(叶轮80.125r/min),配有带视镜人孔盖PN0.6 400X300-II。工作温度0~200℃,设计压力:填料密封<0.1MPa,机械密封0.4MPa,夹套内0.6MPa。使用介质:能耐各种浓度的无机酸、有机酸、有机溶剂及弱碱的腐蚀(氢氟酸、含氟离子的介质、浓度≥30%,温度≥180℃浓磷酸和强碱除外)
闭式1000L搪玻璃反应釜(反应罐)技术参数值:公称容积1000L,实际容积1520L,传热面积4.93㎡,釜体设计压力(0.25MPa、0.4MPa、0.6MPa),反应釜夹层设计压力(0.6MPa),反应釜参考重量1837㎏,整体高度3200mm。一般采用3.0KW减速机,锚(框)式转速63.85r/min(叶轮80.125r/min),配有带视镜人孔盖PN0.6 400X300-II。工作温度0~200℃,设计压力:填料密封<0.1MPa,机械密封0.4MPa,夹套内0.6MPa。使用介质:能耐各种浓度的无机酸、有机酸、有机溶剂及弱碱的腐蚀(氢氟酸、含氟离子的介质、浓度≥30%,温度≥180℃浓磷酸和强碱除外)
开式1000L搪玻璃反应釜图纸:
以上是关于1000L搪玻璃反应釜参数规格的介绍,如果大家还有不清楚的地方,可以咨询我们的工作人员,同时大家需要非标设备,也可以联系我们的工作人员。
淄博福民24小时客户服务热线:如果您对搪玻璃反应釜感兴趣或有疑问,请致电:18753392299/0533-2860177,淄博福民化工设备--您贴心的采购厂家。
相关推荐:搪瓷反应釜、搪玻璃反应釜、1500L开式搪玻璃反应釜参数规格、闭式搪玻璃反应釜
相关推荐:搪瓷反应釜、搪玻璃反应釜、1500L开式搪玻璃反应釜参数规格、闭式搪玻璃反应釜
上一篇:搪玻璃反应釜生产相关标准







