- 淄博市福民化工设备有限公司
- 地址:山东省淄博市张周路
- 电话:400-0533-907
- 传真:0533-2860177
- 内贸:18753392299
- 外贸:18753392288
- 邮箱:fuminsale@126.com
ZK型搪玻璃贮罐\储罐(闭式)
来源:未知??日期:2015-07-03



ZK型搪玻璃贮罐\储罐(开式)
技术参数:
1.设计压力:罐体=0.2MPa、0.4MPa、0.6MPa、1.0MPa、夹套=0.6MPa
2.搅拌器:具有多种型式的搅拌器供用户选择
3.减速机:立式减速机
4.轴封:填料密封(0.2MPa)、单端面机械密封((OAMPa)、双端面机械密封(O.6MPa. l一 OMPa)
5.罐体设计压力超过0.6MPa的搪玻璃储罐需特殊定货
6.ZK系列储罐主体尺寸符台HG/ T2371-92. GB:T 25027-2010标准,并在此基础上进行了改进。
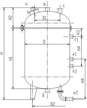
ZK型搪玻璃储罐管口方位:

ZK系列反应罐搪瓷储罐外型尺寸及其参数表:

★ 温馨提示:以上ZK系列搪玻璃储罐参数符合HG5-251-79标准,本公司所使用的产品部分图片为合成图、模拟演示图、效果图,与实物可能存在细微的差别,所以效果演示图和示意图仅供参考。
ZK型搪玻璃贮罐\储罐(开式)是搪玻璃贮罐\储罐的,又称为ZK型搪玻璃贮罐\储罐、ZK型搪瓷贮罐\储罐等。
ZK型搪玻璃贮罐\储罐(开式)同ZK系列搪玻璃反应釜和F系列搪玻璃反应釜的材质是相同的,都是由含高二氧化硅的玻璃衬在钢制容器的内表面,经高温灼烧而牢固地密着于金属表面上而形成的。所以ZK型搪玻璃贮罐\储罐(开式)的用途也是很特殊的,ZK型搪玻璃贮罐\储罐(开式)被广泛地应用于特殊的行业,例如化工、石油、食品、农药、医药等工业。
在特殊的行业中,对ZK型搪玻璃贮罐\储罐的性能就是最大的考验,那么ZK型搪玻璃贮罐\储罐(开式)有哪些优点是可以让它游刃有余地运用在这些化工行业中呢?由于ZK型搪玻璃贮罐\储罐(开式)的材质和煅烧工艺的复杂性,则ZK型搪玻璃贮罐\储罐(开式)具有了玻璃的稳定性和金属强度的双重特点,从而造就了ZK型搪玻璃贮罐\储罐(开式)耐腐蚀、耐高温的特性。
ZK型搪玻璃贮罐\储罐(开式)是工业设备,所以在使用时,也是有一些指导性地规范的,合理地使用ZK型搪玻璃贮罐\储罐(开式),可以使ZK型搪玻璃贮罐\储罐(开式)得寿命得以延长,为企业带来更多的效益,所以小编在此向大家介绍一下ZK型搪玻璃贮罐\储罐(开式)的技术规范和维护等内容。
技术规范:
1、许用压力:罐体=0.2MPa、0.4MPa、0.6MPa、1.0MPa、夹套=0.6MPa
2、耐酸性:
对各种有机酸、无机酸、有机溶剂均有较好的抗蚀性。如将福民公司生产的搪玻璃试样置于20%HCI溶液中煮沸48h,腐蚀速率为0.9lg/m2.d(优等品指标为1.0g/m2.d)。
3、耐碱性:
搪玻璃对碱性溶液抗蚀性较酸溶液差。如将福民公司搪玻璃试样置于1N氢氧化钠溶液腐蚀,试验温度80℃时间48h。腐蚀速率为6.76g/m2.d(优等品指标为7.0g/m2.d)。
4、操作温度:
搪玻璃设备加热和冷却时,应缓慢进行。福民公司制造的搪玻璃设备使用温度为0-200℃,耐温急变性≥200℃。
5、瓷层厚度:
搪玻璃设备的瓷层厚度0.8-2.0mm,搪玻璃设备附件的瓷层厚度0.6-1.8mm。
6、耐压电:
搪玻璃具有良好的绝缘性,当搪玻璃在规定厚度内用20KV高频电火花检查瓷层时,高频电火花不能击穿瓷层。
7、耐冲击性:
玻璃层的内应力越小,弹性越好,硬度越大,抗弯抗压强度越高,则耐冲击就越好。福民公司的玻璃层在规定厚度内,用直径30mm,重量112g钢球冲击时,其冲击功为282×10-3J(优等品指标为260×10-3J)。
安装、使用及维护:
1、吊装时应用胶板等软垫将瓷面保护好,一切工具工件不得与瓷面接触或碰撞,以免损坏瓷面。
2、在搬运不带包装箱的设备时,只能使设备的罐耳、支脚受力,不许接管、管箍、卡子等易损部件受力,要轻起轻放,避免震动和碰撞,搬运时不应滚动或用撬杠撬。
3、拧紧卡子时要对称顺次拧紧,用力均匀万不可一次拧紧,以免局部应力过大,而法兰变形损伤瓷面,为了获得良好密封,最好在拧到一定程度,即缓缓向罐内通放蒸汽,待垫子变软后再完全拧紧。
4、凡已搪瓷之铁胎,外壁均不得施焊。
5、凡搪瓷之各部件结合处,均应根据反应介质或温度选择柔韧、耐蚀、耐温、宽度厚度适宜的垫片。采用石棉橡胶垫片,一般罐体与罐盖结合处为:厚度≥15mm,宽度15-40mm;接管处为:厚度≥8mm,宽度15-30mm。
6、安装搅拌器其轴封处之经向跳动量应调整到最小程度,以利密封,且搅拌器不可反转,以免搅拌器落下碰伤瓷面。
7、在使用中要注意各法兰联接处的密封情况,如发现泄漏立即采取措施,如遇酸类速用碱液中和水洗。
8、使用过程应缓缓升温或冷却,因为突然受热和冷却所形成的应力,会影响搪玻璃设备的使用寿命。
9、搪玻璃设备不宜应用于下列介质的贮存和反应,否则将会因腐蚀而较快地损坏:
⑴任何浓度和温度的氢氟酸;
⑵PH>12且温度大于100℃之碱性介质;
⑶浓度大于30%,温度高于180℃之磷酸;
⑷酸碱交替之反应;
⑸含氟离子的其他介质。
10、进入罐内检修设备时,应在罐底铺上软垫,以免工具落入,并须穿胶底鞋(胶鞋、塑料鞋)以免损伤瓷面。
11、如遇出料口堵塞,不应用金属工具铲打,可用木棒或其他软质物件疏通。
12、使用过程应定期进行检查,如遇放出之物料内发现搪玻璃碎屑,应立即进行检查,研究原因找出措施,经修补后方可使用。粘结在罐内表面上的反应物料应及时清洗,清洗时不应用金属工具,以防损坏玻璃衬里。
以上是对ZK型搪玻璃贮罐\储罐(开式)的介绍和技术上的规范和维护的等,希望大家从中获得收益。福民公司生产的ZK型搪玻璃贮罐\储罐(开式)标准规格有50L、100L、200L、300L、400L、500L、800L、1000L、1250L、1500L、2000L、3000L、4000L、5000L等,对行业的各种需求都是能满足的,当然如果客户是有另需的,我公司也是可以根据客户的需求而进行非标ZK型搪玻璃贮罐定做的。
福民ZK型搪玻璃贮罐\储罐质量值得信赖,客户可以放心使用。如果您还有疑问,可以咨询福民在线顾问,在线顾问会竭诚为您服务,期待与您的合作,祝您生活愉快!


上一篇:没有了
下一篇:没有了







