- 搪玻璃设备
- 王经理:05332860177
- 不锈钢有色金属设备
- 傅经理:13906430854
- 衬四氟设备及配件
- 傅经理:15253328001
- 技术咨询服务
- 王经理:18653342297
淄博开式1000升搪瓷反应釜反应罐
来源:搪瓷反应釜厂家??日期:2020-04-22
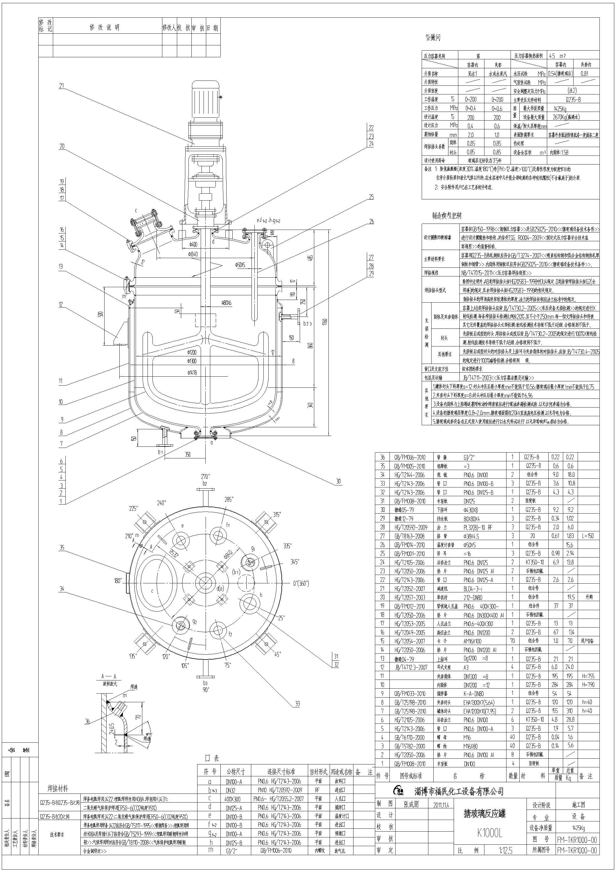
淄博开式1000升搪瓷反应釜反应罐,开式1000L搪瓷反应釜是企业使用比较频繁的一个化工设备,今天我们就介绍下1000升搪瓷反应釜的参数供大家参考。
标准开式1000L搪玻璃反应釜(反应罐)技术参数值:公称容积1000L,反应釜实际容积1245L,换热面积4.5㎡,釜体设计压力(0.25MPa、0.4MPa、0.6MPa),反应釜夹层设计压力(0.6MPa),反应釜参考重量1425㎏。一般采用4KW立式摆线减速机,锚(框)式转速63.85r/min(叶轮80.125r/min),配有带视镜人孔盖PN0.6 DN300×400-II,有多种型号的搪玻璃搅拌器供用户选择。
以上有开式1000L搪瓷反应釜图纸和相关参数介绍,如果大家想要了解更多,可以联系淄博福民的技术人员,我们会为您制定详细的技术方案。
淄博福民24小时客户服务热线:如果您对以上开式1000升搪瓷反应釜感兴趣或有疑问,请点击联系我们网页右侧的在线客服,或致电:18753392299/0533-2860177,淄博福民化工设备--您贴心的采购顾问。
上一篇:给搪玻璃反应罐加料有哪些注意事项
下一篇:搪瓷反应釜耐压多少






